| Allt Nytt | Kalender | Racerbanor | Arrangörer | Forum | Varvtider/Loggar |

![]() |
Skruva banåkabil
Inkoppling av Killswitch
|
1165 besök totalt |
|
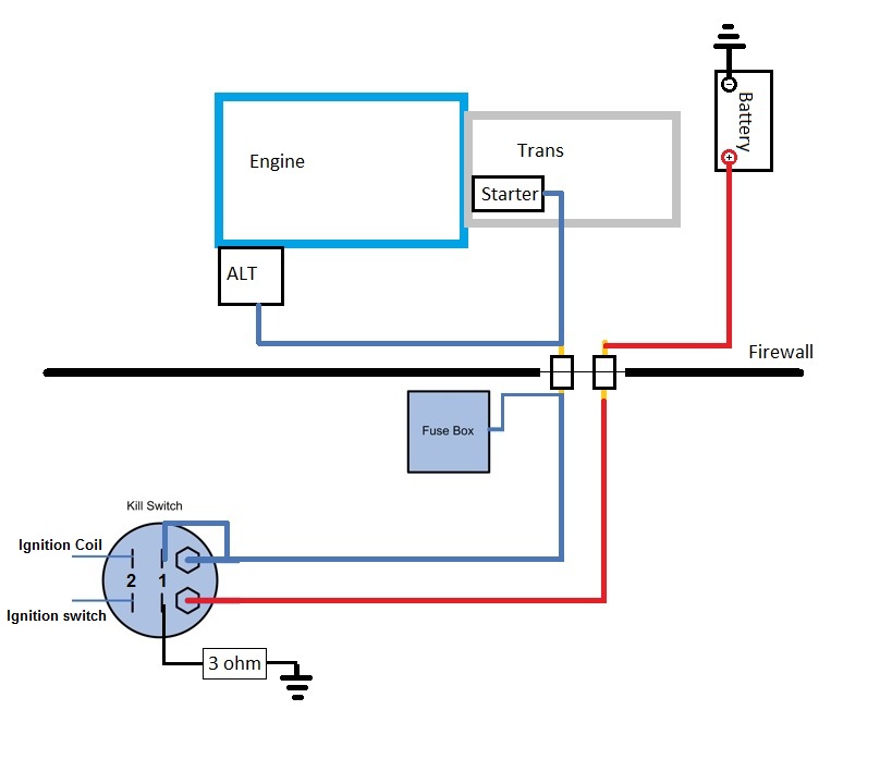
Inkoppling av Killswitch
Har skaffat en sexpolig från Trendab, som det följde med ett motstånd, som är till för att skydda generatorn.
Den lilla lappen som följde med som intruktion var nästan oläslig, så jag har googlat upp lite bilder. Det är säkert fler som har haft funderingar på inkopplingen av en killswitch.
ett annat sätt att se på sama sak:
Är det något som man missar om man följer dessa ritningar? _________________ Mvh Benci_Hovanyi
Gotland Ring 1:33,33s |
![]() |
Skruva banåkabil
Inkoppling av Killswitch
|
1165 besök totalt |

