| Allt Nytt | Kalender | Racerbanor | Arrangörer | Forum | Varvtider/Loggar |

![]() |
Skruva banåkabil
Grundvärden fram- och bakvagn
|
1110 besök totalt |
|
Grundvärden fram- och bakvagn
Hej Med förhoppning att mina frågor ses som relevanta skriver jag dom här och hoppas på svar/råd. Har gett mig in på något som för mig är tämligen nytt för min del. Har för avsikt att bygga en mittmotorbil (Hayabusa med stressfläkt), målvikt 600kg. Målet är att bilen ska gatreggas men även användas på bana. Spindlar och hub kommer från Miata. Spårvidden bak blir att hamna på ca 1450 (beror lite på ET i fälgarna och hur mycket plats jag behöver för centralt monterade bromsar), axelavståndet ser i dagsläget ut att bli 2500-2600. Inser att det kan tyckas vara stora mått på en liten bil, avser dock inte ha onödigt stort överhäng... Det jag behöver hjälp med är förslag på lämpliga "startvärden" för fram- och bakvagnsgeometrier. 1. Med mittmotor och runt 60% av vikten bak är det lämpligt med lite större spårvidd fram än bak? Uppfattningar om lämplig skillnad? 2. Vettigt värde på camberförändring vid infjädring? 3. Cambervinkel? Gata/bana? 4. Höjd på rollcentrum fram/bak? Markfrigången är tänkt att vara ca 100mm i "gat-setup". Normal vill man väl ha lägre rollcenter fram än bak. Vad "gäller" för mittmotorbilar? Jag inser att ett enkelt svar är "läs en bok", så det svaret behöver jag inte. Vill bara ha tips på lämpliga startvärden för att kunna göra en lay-out på ramen. Om det saknas information för att kunna ge mig råd, vilken information saknas? _________________ Janne Haglund |
|
Hej igen!
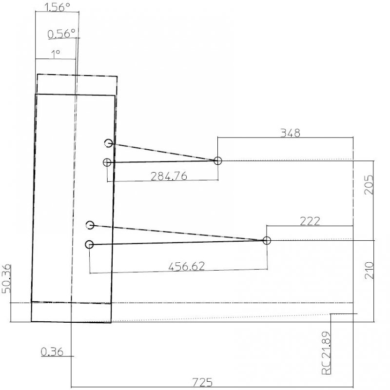
Har testat lite värden och kört simlueringar. Har lyckats få ner spårviddsförändringen rätt ordentligt (0,36). Camberförändringen med ca 50mm infjädring är 0.56 grader. Antar att jag bör ha mer för att öka trycket på yttre hjulet i kurvor? Funkar det så? Jag förstår att vilka värden jag ska ha beror på vilka vägegenskaper jag vill ha i bilen, bilen blir en liten låg bil med mittmotor och därför är en "sportig" väghållning väsentligare än terrängegenskaper. RC hänger ihop med tyngdpunkten och jag försöker få denna så låg som möjligt. Jag har inte tänkt mig att bygga in antidive eller liknande i geometrin. Drivpaketet består av, jämfört med en bilmotor, en lätt hojmotor (ca 90kg) och totalhöjden på bilen blir strax över metern, förutsättningar för låg tyngdpunkt finns alltså. Som ni ser på skissen blir det inte mycket till plats för fötter/pedaler mellan A-armarna, denna geometri tar alltså en del plats "på längden". Det funkar nog för min del, känns ok att den blir lite längre bara den går som ett "strykjärn". Hoppas på feedback på skissen jag bifogar och lite tips om ni anser geometrin verkar vettig och vad ni anser jag borde "se över".
_________________ Janne Haglund |
![]() |
Skruva banåkabil
Grundvärden fram- och bakvagn
|
1110 besök totalt |
