| Allt Nytt | Kalender | Racerbanor | Arrangörer | Forum | Varvtider/Loggar |

![]() |
Skruva banåkabil
Hur bygga bra oljefälla?
|
5 besök senaste veckan (5136 totalt) |
|
Hur bygga bra oljefälla?
Jag har en motor med hög vevhuskompression som trycker ut olja genom vevhusventilationen. Säsongen är kort i Sverige så jag vill helst inte riva motorn nu eftersom den i övrigt funkar bra. Tänkte därför försöka göra en "oljefälla" så att jag kan köra i sommar utan att kladda ner hela motorn. Här nedan kommer två idéer till oljefälla. Synpunkter, för- och nackdelar? (hoppas att jag inte gjort någon tankevurpa! )
Alternativ 1
Alternativ 2
_________________ Calle Olsson |
||||
|
Re: Hur bygga bra oljefälla?
Ta ett rör, gör en anslutning i nederkant som går till motorns ventilationsrör... Inne i röret sätt skivor cirka 45 grader gentemot horisontalplanet så du bildar en 'labyrint' på vägen upp. I överkant sätt anslutning till insug/inloppsrör/vaccum _________________ Roland Johansson |
||||
|
Re: Hur bygga bra oljefälla?
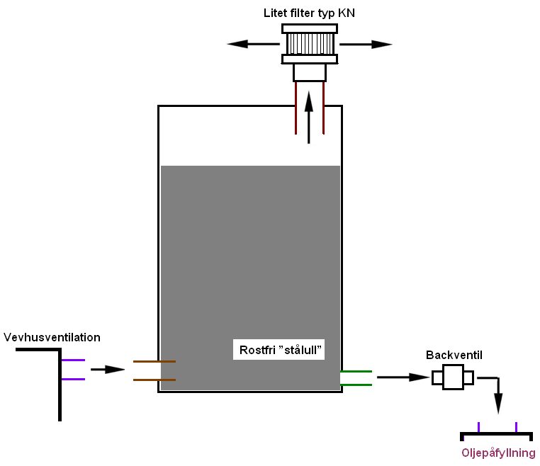
"Labyrint" med 45 graders skivor funkar alltså bättre än rostfri "stålull"? Menar du så här?
_________________ Calle Olsson |
||||
|
Re: Hur bygga bra oljefälla?
Oljefälledelen så ja, stålull kan 'sättas' igen men labyrinten kommer alltid vara öppen. _________________ Roland Johansson |
||||
|
Min M30-motor slänger ur sig olja när den samlat på sig lite uppe i toppen vid hård kurvtagning och sen dränerar den allt in i insuget med ett härligt vitt moln som följd.
Löste det så här,
Nu drar ju inte motorn olja hela tiden men grundtanken är ju att få oljedimman att kondensera/fästa på nån hyfsat kall yta. Funkar för mig och billigt blev det också. _________________ Hasse Kerfstedt TVR Chimaera 500 |
||||
![]() |
Skruva banåkabil
Hur bygga bra oljefälla?
|
5 besök senaste veckan (5136 totalt) |

