Tack till alla våra trogna sponsorer som stöttar och håller Rejsa rullande
Skruva banåkabil
Konstruera avgassystem till en sugmotor 3,0l V6
1, 2   >>
38 besök senaste veckan (12322 totalt)
Gustav_H78
Lerum
Här sen Feb 2009
Inlägg: 1806


Trådstartare
Konstruera avgassystem till en sugmotor 3,0l V6

Ändrade topic lite...

Hej!

Byter från turbomotor till sugmotor och måste få in en dämpare extra i avgaseriet. Har läst och sett en del som sätter ett "kryss" i röret som jag gissar minskar ljudet. Funkar det eller är det bara båg? Stör det avgaserna negativt eller är det försumbart?

Motorn som skall dämpas är en 3,0l V6 som kommer ha ett extraktorrör med 6-2-1 rör och kommer ha en SBF kat samt två relativt små runda 2,5" dämpare för att få plats med dem under bilen. Avgasröret är rakt under bilen, med en 90 graders krök innan bakaxeln, utlopp framför höger bakhjul.

_________________
Gustav Holmdahl, en tom själ utan räserbil
Alfa Romeo 75 3,0 V6 CAR Challenge *Såld*
BMW E30 328 långlopps bil *Såld*
VW Lupo 3L Antiräsern, work in progress
Citera
Davve
Åby, Växjö
Här sen Mar 2005
Inlägg: 2089



Jag har gjort det på min BMW Compact men jag kan ärligt talat inte höra någon skillnad.

Min avgas-spec är 1.8l med extraktor (original på dessa), 2.5" fram till original kat och sedan 2" resten med en ganska stor dämpare längst bak. Den är ljudlig men har inte åkt fast i dB-kontroll.

_________________
David Glantz
Jaguar och några till.
Banbil (såld): BMW 318ti Compact -95
Citera
Niklas Falk
Fixhult
Här sen Apr 2004
Inlägg: 20550



Dimensionen på rören verkar spela stor roll.
Ett 2"-system verkar vara lätt att få ner i volym, 2.5" svårare och 3" nära omöjligt (iaf med enkeldämpare även om det är Apples största modell).

Visselpipor i slutröret kan reta mätaren mer än utan.

_________________
Niklas Falk
www.SPVM.se
Citera
Andreas Millbro
Stockholm
Här sen Dec 2002
Inlägg: 3056



Tror inte så mycket på kryss, möjligen att det skulle kunna göra att det svänger på ett annat sätt i slutröret men lösningen brukar vara fler dämpare med större volym.

Det som också spelar stor roll är dimensionen på slutröret, en person som arbetar med avgassystem sa att man vill ha en liten högtalare längst bak.

En annan effekt med grövre avgassystem är att man får plats med mindre dämpande material i en rakt igenom dämpare med samma ytterdiameter.

_________________
Bromsar bäst som bromsar sist...
Renault 5 GTE -88
Citera
Rolle Scirocco
Stockholm
Här sen Nov 2002
Inlägg: 5348



Re:

Andreas Millbro skrev:
Tror inte så mycket på kryss, möjligen att det skulle kunna göra att det svänger på ett annat sätt i slutröret men lösningen brukar vara fler dämpare med större volym.

Det som också spelar stor roll är dimensionen på slutröret, en person som arbetar med avgassystem sa att man vill ha en liten högtalare längst bak.

En annan effekt med grövre avgassystem är att man får plats med mindre dämpande material i en rakt igenom dämpare med samma ytterdiameter.


Om man har enstaka frekvenser som låter igenom kan man ju göra en 'blindtarm' någonstans och få bort dessa frekvenser utan att behöva få dit fler stora burkar.

_________________
Roland Johansson
Citera
Michael Bäck
Sverige
Här sen Aug 2003
Inlägg: 8579



Re: "Kryss" i avgasrör, dämpar det?

Gustav_H78 skrev:
Hej!

Byter från turbomotor till sugmotor och måste få in en dämpare extra i avgaseriet. Har läst och sett en del som sätter ett "kryss" i röret som jag gissar minskar ljudet. Funkar det eller är det bara båg? Stör det avgaserna negativt eller är det försumbart?

Motorn som skall dämpas är en 3,0l V6 som kommer ha ett extraktorrör med 6-2-1 rör och kommer ha en SBF kat samt två relativt små runda 2,5" dämpare för att få plats med dem under bilen. Avgasröret är rakt under bilen, med en 90 graders krök innan bakaxeln, utlopp framför höger bakhjul.


Jag kör med 2,8L sexa 6-2-1 system sen 2,5" 1st apple slim long & race kat längst bak den är väldigt tyst.

_________________
Michael Bäck

BMW 328is -84 BmwCup #50

Citera
Andreas Millbro
Stockholm
Här sen Dec 2002
Inlägg: 3056



Re:

Rolle Scirocco skrev:
Andreas Millbro skrev:
Tror inte så mycket på kryss, möjligen att det skulle kunna göra att det svänger på ett annat sätt i slutröret men lösningen brukar vara fler dämpare med större volym.

Det som också spelar stor roll är dimensionen på slutröret, en person som arbetar med avgassystem sa att man vill ha en liten högtalare längst bak.

En annan effekt med grövre avgassystem är att man får plats med mindre dämpande material i en rakt igenom dämpare med samma ytterdiameter.


Om man har enstaka frekvenser som låter igenom kan man ju göra en 'blindtarm' någonstans och få bort dessa frekvenser utan att behöva få dit fler stora burkar.


Mjo men problemet med att göra en resonator är som du säger att den bara dämpar i ett smal frekvensband runt en frekvens medans orsaken till avgasljudet skapas när avgasventilen öppnas vilket innebär att frekvensen kommer att variera med motors varvtal.

Men åker man motor med variator burde en "blindtarm" eller resonator kunna fungera eller om man har dämpare som inte dämpar speciellt bra runt den frekvensen.

_________________
Bromsar bäst som bromsar sist...
Renault 5 GTE -88
Citera
Gustav_H78
Lerum
Här sen Feb 2009
Inlägg: 1806


Trådstartare
Hej!

Tack för tipsen.

Idag har jag en kort(250mm) rund "rakt igenom dämpare" från Raka rör, tror inte den dämpar så tokmycket. Med turbon behövdes inte så mycket, men det var då det.

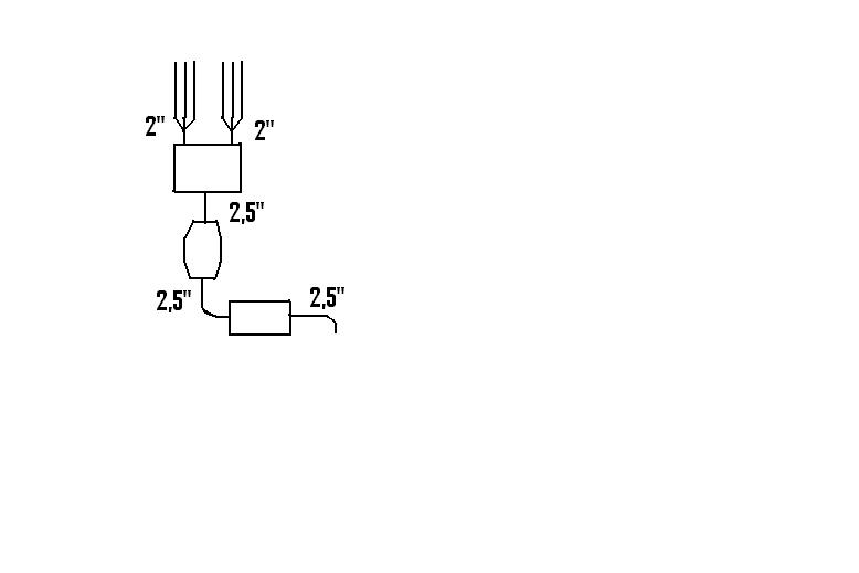
Se bifogad skiss för hur jag tänkte bygga. Bakre delen av systemet och primärrören samt kollektorer finns redan. Det som skall byggas är mittdelen. Målet är som sagt att få ett system som klarar 95 dB och inte är för restriktivt.






Bild på hur primärrören kommer ner under bilen. Till vänster långt bak i bild ser ni den befintliga runda dämparen och att den går ut framför höger bakhjul.

Ska man satsa på en dämpare med 2x2" in och 2,5" ut, eller ska man dra ihop rören innan och köra med 2,5" rakt igenom? Finns det fullflödesdämpare med 2x2" in och 2,5" ut? Var köper man Apple racing dämpare?

_________________
Gustav Holmdahl, en tom själ utan räserbil
Alfa Romeo 75 3,0 V6 CAR Challenge *Såld*
BMW E30 328 långlopps bil *Såld*
VW Lupo 3L Antiräsern, work in progress
Citera
Niklas Falk
Fixhult
Här sen Apr 2004
Inlägg: 20550



Re:

Gustav_H78 skrev:
Var köper man Apple racing dämpare?

http://www.google.se/search?q=Var+k%C3%B6per+man+Apple+racing+d%C3%A4m . . . .

_________________
Niklas Falk
www.SPVM.se
Citera
Gustav_H78
Lerum
Här sen Feb 2009
Inlägg: 1806


Trådstartare
Re:

Niklas Falk skrev:
Gustav_H78 skrev:
Var köper man Apple racing dämpare?

http://www.google.se/search?q=Var+k%C3%B6per+man+Apple+racing+d%C3%A4m . . . .


Kom på att man kunde pröva Google

_________________
Gustav Holmdahl, en tom själ utan räserbil
Alfa Romeo 75 3,0 V6 CAR Challenge *Såld*
BMW E30 328 långlopps bil *Såld*
VW Lupo 3L Antiräsern, work in progress
Citera
beepbeep
Uppsala
Här sen Feb 2003
Inlägg: 3473



Kryss kan funka på två rör som leder impulser som är i ofas. Idén är att pulser ska ta död på varandra. Dvs. det kan funka på V8:or och V6:or mellan två cylinderbank.

Det är dock ingen idé att ta t.ex. en fyrcylindrig motor, dra ihop allt till en katalysator, för att sen dela upp rör i två och kryssa dem, i senare skede.

_________________
G o r a n A m c o f f
Citera
Gustav_H78
Lerum
Här sen Feb 2009
Inlägg: 1806


Trådstartare
Re:

beepbeep skrev:
Kryss kan funka på två rör som leder impulser som är i ofas. Idén är att pulser ska ta död på varandra. Dvs. det kan funka på V8:or och V6:or mellan två cylinderbank.

Det är dock ingen idé att ta t.ex. en fyrcylindrig motor, dra ihop allt till en katalysator, för att sen dela upp rör i två och kryssa dem, i senare skede.


Jag menade ett kryss sett i tvärsnitt i röret, inte att man drar rören som ett kryss som man gör på många flercylindriga bilar.



Ett dylikt kryss gissar jag skall skapa turbulens och döda resonanser, eller tänker jag fel?

_________________
Gustav Holmdahl, en tom själ utan räserbil
Alfa Romeo 75 3,0 V6 CAR Challenge *Såld*
BMW E30 328 långlopps bil *Såld*
VW Lupo 3L Antiräsern, work in progress
Citera
Gustav_H78
Lerum
Här sen Feb 2009
Inlägg: 1806


Trådstartare
Någon som vet om någon annan än Simons har en liknande dämpare?

[url] http://www.simons.se/Universalbilder/U346351R.jpg [/url]

Hade suttit som en smäck i mitt system. I alla fall utrymmesmässigt...

_________________
Gustav Holmdahl, en tom själ utan räserbil
Alfa Romeo 75 3,0 V6 CAR Challenge *Såld*
BMW E30 328 långlopps bil *Såld*
VW Lupo 3L Antiräsern, work in progress
Citera
MaZ
Göteborg
Här sen Nov 2002
Inlägg: 19227



2 1/4" borde vara mer än tillräckligt stort och går att köpa för vettiga pengar.
Fler cylindrar är lättare att få tyst på också så det är ju bra. thumbs up

_________________
/Mats Strandberg
onemanracing.com

BMW 330i -05
Citera
Rolle Scirocco
Stockholm
Här sen Nov 2002
Inlägg: 5348



Re:

Andreas Millbro skrev:
Rolle Scirocco skrev:
Andreas Millbro skrev:
Tror inte så mycket på kryss, möjligen att det skulle kunna göra att det svänger på ett annat sätt i slutröret men lösningen brukar vara fler dämpare med större volym.

Det som också spelar stor roll är dimensionen på slutröret, en person som arbetar med avgassystem sa att man vill ha en liten högtalare längst bak.

En annan effekt med grövre avgassystem är att man får plats med mindre dämpande material i en rakt igenom dämpare med samma ytterdiameter.


Om man har enstaka frekvenser som låter igenom kan man ju göra en 'blindtarm' någonstans och få bort dessa frekvenser utan att behöva få dit fler stora burkar.


Mjo men problemet med att göra en resonator är som du säger att den bara dämpar i ett smal frekvensband runt en frekvens medans orsaken till avgasljudet skapas när avgasventilen öppnas vilket innebär att frekvensen kommer att variera med motors varvtal.

Men åker man motor med variator burde en "blindtarm" eller resonator kunna fungera eller om man har dämpare som inte dämpar speciellt bra runt den frekvensen.


Och då väldigt många (ALLA?) med hemgjorda avgassystem ofta får resonanser vid just ett viss belasntning och varvtal så kan det fungera väldigt bra för att få bort det. Just visten med hela iden

_________________
Roland Johansson
Citera
Gustav_H78
Lerum
Här sen Feb 2009
Inlägg: 1806


Trådstartare
Re:

MaZ skrev:
2 1/4" borde vara mer än tillräckligt stort och går att köpa för vettiga pengar.
Fler cylindrar är lättare att få tyst på också så det är ju bra. thumbs up


Ska man va petig så är det 2x 1,75" ut från primärrören. Men lite svårt att hitta en dämpare som är 2x 1,75" in och 2,25" ut. Men hittar du en sådan åt mig för vettiga pengar så köper jag den gärna!

_________________
Gustav Holmdahl, en tom själ utan räserbil
Alfa Romeo 75 3,0 V6 CAR Challenge *Såld*
BMW E30 328 långlopps bil *Såld*
VW Lupo 3L Antiräsern, work in progress
Citera
MaZ
Göteborg
Här sen Nov 2002
Inlägg: 19227



Kollat på Raka Rör?

_________________
/Mats Strandberg
onemanracing.com

BMW 330i -05
Citera
barre
Kalmar
Här sen Okt 2005
Inlägg: 1330



Re:

Gustav_H78 skrev:

Jag menade ett kryss sett i tvärsnitt i röret, inte att man drar rören som ett kryss som man gör på många flercylindriga bilar.



Ett dylikt kryss gissar jag skall skapa turbulens och döda resonanser, eller tänker jag fel?


I motsats till andra så har jag fått detta att märkbart funka jag "vred/skruvade" samtliga 4 plåtar för att öka verkan lite vilket verkar ha gjort susen. Man kan sätta i ett längre kryss & forma plåtarna lite som en korkskruv & på så sätt kanske få bättre resultat...jag har dock inte testat detta ännu.

Det jag märkte skillnad på var just de högre mer skallande tonerna....plåtiga, mer vassa resonansljuden...typ. I mitt fall har jag ett 3"-system där detta kors sitter.

Nu vill jag inte mena att detta är en underverkskur MEN i mitt fall märker jag skillnad både vid tomgång & varv. Det burkiga smattrandet blev mindre medan de låga tonerna inte märks någon skillnad på....inte enligt mig iaf... INTE testad med dB-mätare

Funderingarna kretsar ändå till att gå ner ett steg & montera 2,5" halvvägs under bilen till slutburken för att minska resonansen än mer + ha ett kors. Avgaserna kallnar & volymen med den så ett 3" är lite overkill även på min tuffa bil

_________________
B "barre" Mårtensson

Audi urquattro -85
Audi 80 GTE quattro -86
_______________________
SLC Kalmar, ORM AB,
Astanders Eng, Kalmar Bläster & lack
Citera
Gustav_H78
Lerum
Här sen Feb 2009
Inlägg: 1806


Trådstartare
@Barre:

Var satte du krysset? Långt fram, bak? Läste att du använde plåtar. Tror ni det funkar på samma sätt att borra två hål och stoppa in typ en 5mm stav i ett kryss och svetsa fast?

_________________
Gustav Holmdahl, en tom själ utan räserbil
Alfa Romeo 75 3,0 V6 CAR Challenge *Såld*
BMW E30 328 långlopps bil *Såld*
VW Lupo 3L Antiräsern, work in progress
Citera
calle_o
Gävle
Här sen Mar 2005
Inlägg: 4733



Re:

barre skrev:
I motsats till andra så har jag fått detta att märkbart funka jag "vred/skruvade" samtliga 4 plåtar för att öka verkan lite vilket verkar ha gjort susen. Man kan sätta i ett längre kryss & forma plåtarna lite som en korkskruv & på så sätt kanske få bättre resultat...jag har dock inte testat detta ännu.

Moroso:


Patriot har denna insats till 3":


Och när jag ändå håller på , DNA Performance Mufflers har denna variant:

_________________
Calle Olsson
Citera
Naqref
Christianstad/Scania
Här sen Jul 2005
Inlägg: 3300



Re:

Gustav_H78 skrev:

Ett dylikt kryss gissar jag skall skapa turbulens och döda resonanser, eller tänker jag fel?


Du tänker rimligt rätt. Att skapa turbolens gör ingen glad men dämpa resonanser kan vara vettigare. Dock så måste man ju ha en resonans att dämpa då och de enda resonanser är de pipresonanser i slutröret som kommer att påverkas. Har du inga sådana som stör så ger krysset ingen effekt.

_________________
Anders Eriksson
Nu med fröken senap. Renå Twingo -96. Aka Mlle Dijon.
Citera
Skruva banåkabil
Konstruera avgassystem till en sugmotor 3,0l V6
1, 2   >>
38 besök senaste veckan (12322 totalt)
Tack till alla våra trogna sponsorer som stöttar och håller Rejsa rullande