Tack till alla våra trogna sponsorer som stöttar och håller Rejsa rullande
Skruva banåkabil
Svetsa fast pinnbult i bromsskiva
4 besök senaste veckan (1999 totalt)
Markus E

Här sen Jan 2010
Inlägg: 264


Trådstartare
Svetsa fast pinnbult i bromsskiva

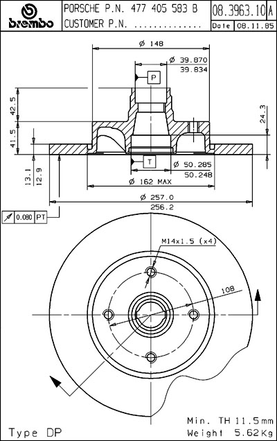
Hej. Har lyckats rensa ett av skruvhålen i framskivorna på 924an. Använder pinnbultar. Kan jag svetsa fast pinnbulten i skivan eller blir något knas? Kan inte tänka mig det men vem vet..

_________________
M a r k u s E c k e r b r a n d h
Porsche 924
Citera
safe
Stockholm / Kalmar
Här sen Jan 2006
Inlägg: 2493



Du menar för hjulen?
Sitter de i skivorna???

_________________
Magnus Wennerberg
Porsche 911 Targa -77 (originalish)
Porsche 911 Coupe -69 (busbil för bana)
Porsche 924 -79 (busbil för gata)
Porsche 931 -79
Citera
Guson
Uppsala
Här sen Sep 2003
Inlägg: 1286



Det är alltså hjulskruv original men du har satt dit pinnskruv och dragit gängpaj i ett av hålen i skivan? Min åsikt är att svetsa är ingen bra ide. Sätt insatsgänga i hålet istället.

Guson

_________________
Tomas Gunnarsson
Citera
Niklas Falk
Fixhult
Här sen Apr 2004
Inlägg: 20549



Om det är gänga i skivan så är väl det enklaste att byta skivan (det är ju en slitagedetalj).

_________________
Niklas Falk
www.SPVM.se
Citera
Markus E

Här sen Jan 2010
Inlägg: 264


Trådstartare
Re:

Guson skrev:
Det är alltså hjulskruv original men du har satt dit pinnskruv och dragit gängpaj i ett av hålen i skivan? Min åsikt är att svetsa är ingen bra ide. Sätt insatsgänga i hålet istället.

Guson


Precis.

Drt lite tråkiga är att skivorna är fina och inte alls gamla. Varför kan man inte svetsa fast pinnbulten baktill? Den sticker ju ut lite på baksidan, så tänkte bara dra lite svets så den inte snurrar när muttern dras. Är det någon härdning eller så som försvinner?

_________________
M a r k u s E c k e r b r a n d h
Porsche 924
Citera
2fast4u
Gisekvarn
Här sen Okt 2004
Inlägg: 6543



Är hjulen skruvade i skivan och inte i navet?

(surf surf sur) Ahhh, skiva och nav i ett



M14x1.5 är en fingänga och du springer säkert inte på en helicoil i den dimensionen utan att detektiva intensivt. Insexskruv dragen bakifrån så du får en skalle på baksidan?

_________________
Ove Sponton

Det var inte jag. Dessutom var det ingen som såg mig.
No turbos, no superchargers. Just pure electricity.
Citera
Guson
Uppsala
Här sen Sep 2003
Inlägg: 1286



Re:

Markus E skrev:
Guson skrev:
Det är alltså hjulskruv original men du har satt dit pinnskruv och dragit gängpaj i ett av hålen i skivan? Min åsikt är att svetsa är ingen bra ide. Sätt insatsgänga i hålet istället.

Guson


Precis.

Drt lite tråkiga är att skivorna är fina och inte alls gamla. Varför kan man inte svetsa fast pinnbulten baktill? Den sticker ju ut lite på baksidan, så tänkte bara dra lite svets så den inte snurrar när muttern dras. Är det någon härdning eller så som försvinner?


Svetsen skall inte bara hindra rotationen, den skall ta hela dragkraften i skruven när gängan är dålig. Mycket bättre att rensa gängan och dra en skruv från baksidan som ovanstående föreslagit.

Guson

_________________
Tomas Gunnarsson
Citera
Björn Larsson
Linköping (mellan soptippen & fängelset)
Här sen Maj 2004
Inlägg: 2218



Jag skulle tro att Wurth har. Jag har M14x1,25 från dem här med det är ju en lite vanligare gänga.

(surf surf)

Här:

https://www.wurth.se/Produkter/Produktkatalog/Borr--Gang/Gangning/Mask . . . .

Skruv från baksidan känns meckigt & svetsidén måste vara ett skämt. Insatsgänga skulle jag satsa på!

_________________
Björn Larsson
Life's to short for shortfillers.
Lotus 7S1 -59
Lotus Elite -60
BMW E30 Baur TC2 -85
Sportscar F1000
van Diemen RF75
MG Midget -61
Citera
2fast4u
Gisekvarn
Här sen Okt 2004
Inlägg: 6543



Insatsgänga skulle jag definitivt satsa på om jag hade tillgång till det i aktuell dimension. Kitet du länkade till är jag rädd att det kostar farligt nära en ny skiva och då är "skruv bakifrån" lösningen mer attraktiv. Tycker jag. Om du inte tänker göra det till en vana att dra sönder gängorna, då ska du handla insatsgängekitet.

_________________
Ove Sponton

Det var inte jag. Dessutom var det ingen som såg mig.
No turbos, no superchargers. Just pure electricity.
Citera
Björn Larsson
Linköping (mellan soptippen & fängelset)
Här sen Maj 2004
Inlägg: 2218



Re:

2fast4u skrev:
Insatsgänga skulle jag definitivt satsa på om jag hade tillgång till det i aktuell dimension. Kitet du länkade till är jag rädd att det kostar farligt nära en ny skiva och då är "skruv bakifrån" lösningen mer attraktiv. Tycker jag. Om du inte tänker göra det till en vana att dra sönder gängorna, då ska du handla insatsgängekitet.


Tipset är väl att köpa bara en lös insatsgänga (de är inte heller billiga, runt 100-ingen skulle jag tro) & eventuellt en lös gängtapp (om man inte kan låna den).

Har man svarv kan man ju göra en insatsgänga & anpassa yttergängan till en gängtapp man redan har. Jag gjorde nyligen det åt en kund med så stort tändstiftshål att vanliga M14x1,25 inte ville stanna kvar.

_________________
Björn Larsson
Life's to short for shortfillers.
Lotus 7S1 -59
Lotus Elite -60
BMW E30 Baur TC2 -85
Sportscar F1000
van Diemen RF75
MG Midget -61
Citera
safe
Stockholm / Kalmar
Här sen Jan 2006
Inlägg: 2493



Re:

Markus E skrev:
Guson skrev:
Det är alltså hjulskruv original men du har satt dit pinnskruv och dragit gängpaj i ett av hålen i skivan? Min åsikt är att svetsa är ingen bra ide. Sätt insatsgänga i hålet istället.

Guson


Precis.

Drt lite tråkiga är att skivorna är fina och inte alls gamla. Varför kan man inte svetsa fast pinnbulten baktill? Den sticker ju ut lite på baksidan, så tänkte bara dra lite svets så den inte snurrar när muttern dras. Är det någon härdning eller så som försvinner?


Är det en riktig hjulpinnskruv du har som rappar i hålet?
Då skulle jag bara lägga en svets som du säger eftersom den bara ska hålla skruven stilla.

_________________
Magnus Wennerberg
Porsche 911 Targa -77 (originalish)
Porsche 911 Coupe -69 (busbil för bana)
Porsche 924 -79 (busbil för gata)
Porsche 931 -79
Citera
kolja
08
Här sen Apr 2005
Inlägg: 7788



Re:

2fast4u skrev:
Insatsgänga skulle jag definitivt satsa på om jag hade tillgång till det i aktuell dimension. Kitet du länkade till är jag rädd att det kostar farligt nära en ny skiva och då är "skruv bakifrån" lösningen mer attraktiv. Tycker jag. Om du inte tänker göra det till en vana att dra sönder gängorna, då ska du handla insatsgängekitet.


M14x 1.5 finns som insatsgänga från BaerCoil.

_________________
T 0 N Y J 0 N S S 0 N
Grace, Space and Pace.
Citera
Skruva banåkabil
Svetsa fast pinnbult i bromsskiva
4 besök senaste veckan (1999 totalt)
Tack till alla våra trogna sponsorer som stöttar och håller Rejsa rullande