| Allt Nytt | Kalender | Racerbanor | Arrangörer | Forum | Varvtider/Loggar |

![]() |
Skruva banåkabil
Elektronikhjälp för en ignorant :-D
|
1049 besök totalt |
|
Elektronikhjälp för en ignorant :-D
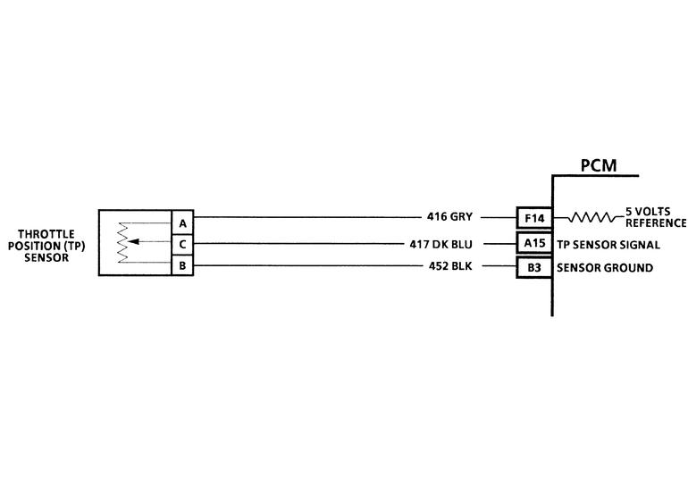
Jag har ett litet problem som jag gärna vill ha hjälp med. Så här ligger det till. Jag ska ha en 5-vägs vridströmbrytare till mitt sprut som ska styra en specifik funktion. ingången i sprutet är en 0v,5v,signal-ingång Kikade på en tps och den skulle sitta som handsken, men den har ju inga fasta klick/lägen. Så nu har jag klurat lite
Jag gissar att det är mellan A och C det mäts som signal in i boxen? Eftersom alla 0v,5v sensor är inkopplade på samma stift i boxen, så misstänker jag att det är där som referensen mot givarsignalerna görs? Jag har ju ett antal andra sensorer inkopplade på dessa ingångar. Frågan är ifall man skulle kunna strunta i att använda 0v signalen (enl skissen) och enbart köra med fasta motstånd mellan A och C i detta fall (olika för varje läge på strömställaren)? _________________ Opel Speedster Race -03 Diverse Hemibilar Anders Bisting |
|
Principen är ju okej - sen om det blir lagom i din applikation får ni ju testa... Kan ju ha fler steg än 5 om du vill...
|
|
Jag har vääldigt begränsad kunskap vad gäller ingångar i "ECU'er" och mappning. Jag tror det brukar vara 10kohm total resistans i potar för 0-5V ingångar, så om du har 10k totalt och delar upp det i jämna steg så borde det funka - sen beror det ju på om du vill ha 0 resp 5V i ändlägena ellet kanske... men värdena kan du väl mappa mjukvarumässigt i nå'n tabell.
Måste väl finnas en massa folk här som har järnkoll...
|
![]() |
Skruva banåkabil
Elektronikhjälp för en ignorant :-D
|
1049 besök totalt |
