| Allt Nytt | Kalender | Racerbanor | Arrangörer | Forum | Varvtider/Loggar |

![]() |
Skruva banåkabil
Skippa skruvarna och svetsa in buren istället?
|
4232 besök totalt |
|
Skippa skruvarna och svetsa in buren istället?
Har en fullbur liggandes till porschen och håller på med installationen av denna. Det är en skruvbur väldigt lik denna med tanke på infästning mot bilen:
Blir ju enklare att bara svetsa in buren och skippa skruvfastsättningen mot bilen. Ser ni någon anledning till att inte göra detta och behålla den skruvade designen? (Jag hade tänkt regga bilen med buren) Kan lägga till att buren gått med vagnbok. _________________ Joakim Tdal Porsche 951 |
||||||
|
Det vill jag också veta! Kan man då ta en 6 mm plåt istället för att bulta 2st 3mm's...!?
_________________ Crister Borg Alfa Romeo 155 TS -95, https://rejsa.nu/forum/viewtopic.php?t=119773 SAAB 96 Ninja, https://rejsa.nu/forum/viewtopic.php?p=1744165#1744165 |
||||||
|
Jo, eller som i mitt fall använda sig av plåten i fötterna. Att svetsa varvet runt och dessutom fylla hålen blir ju bra starkt. Tänker mig dock om det finns regler mot detta? Man vill ju inte stänga framtida möjlighet till att tävla med bilen.
_________________ Joakim Tdal Porsche 951 |
||||||
|
Re:
Tror ganska bestämt att det står att man INTE får göra så. |
||||||
|
Du får inte svetsa på buren om det är en certad skruvbur som är Fiagodkänd.
För gatbruk kan göra vad som helst, men inte för tävling. Du kan ju däremot svetsa in snygga fötter/plattor som buren kan stå på men bulta fast den med skruvarna. _________________ Mikael Blixt BMW M3 3,2 -98 2016 - 2:a BMW CUP Special 2015 - 3:a BMW CUP Special 2015 - Årets Rookie BMW CUP |
||||||
|
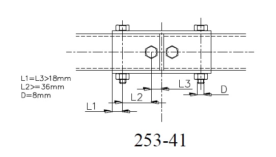
Det korta svaret: Du måste skruva med minst tre M8 genom dubbla plattor. Du får även svetsa men det är inte obligatoriskt.
Dock kan det vara bra att reda ut några andra begrepp innan du sätter igång: Svaret ovan förutsätter att du vill följa FIA/SBFs regler och att buren INTE är certifierad. Om buren inte är certifierad föreslår jag att du noga kollar så att den uppfyller de nu gällande reglerna för bur (eftersom de ändras ibland). Kolla diametern på huvudbågen tex. Här är SBFs regler där allt som gäller burbygge finns i kapitel TR5.8, sid 22 och framåt. http://web.sbf.se/regler/up/4/TR_Tekniska_Regler-2015_2.pdf Ang frågan om fästplattor så finns detaljinformation i kapitel TR 5.8.3.2.6 "Montering av skyddsbur i kaross/chassi", sid 34 och framåt i pdf:en. Sen finns det mycket tidigare diskussioner här på rejsa som du kan hitta via sökfunktionen, tex här: https://rejsa.nu/forum/viewtopic.php?p=602217&sid=d42343c62eb51847e70de8a277c82dd9 https://rejsa.nu/forum/viewtopic.php?t=13250 (Den startades dock för länge sen så en del av länkarna är inaktuella) Är buren certifierad är det dock andra förutsättningar: Det måste finnas ett instansat certifieringsnummer någonstans på buren (eller en fastnitat plåt eller liknande) och det är bra att ha tillhörande certifieringspapper. Du får inte göra förändringar i buren, då gäller inte certifieringen längre. När det gäller infästningarna är jag osäker men det bör vara kopplat till certifieringen (dvs det kanske inte behövs skruvar tex). Kolla i handlingarna till buren eller med de som tillverkat den certifierade buren. _________________ Mats Forssén Alfa 156 GTA SW, glassätarbil Alfa 147 GTA, banåkarglassätarbilsprojekt |
||||||
|
Tack för bra svar!!
Kikade i den samlingstråden men det var många tappade länkar och den kändes lite out-dated
I mitt fall är det en gussbur som svetsats till att vara demonterbar i dörrsträvorna samt delning av röret i takhöjd mellan a- och b-stolpe. Efter att ha läst reglerna måste min slutsats i alla fall bli att jag måste köra skruv/mutter oavsett. Jag tolkar följande som att man får svetsa men skruvar måste ändå användas:
Lite intressant detta då jag tycker mig ha sett många helsvetsade burar, dessa är alltså inte ok enl. SBF? _________________ Joakim Tdal Porsche 951 |
||||||
|
Re:
Det stämmer, man måste skruva men får även svetsa. Om det är på certifierade burar är/kan det vara ok att inte skruva eftersom de då omfattas av certifieringen (som inte behöver följa några av SBF-reglerna utan kan ha annan utformning, andra rördimensioner osv). Det kan säkert finnas bilar med vagnbok med ej certifierade burar som saknar skruvar men det betyder ju inte att det är ok...
Jämför med hur det kan funka på bilprovningen - bara för att en bil gått igenom med "blankt papper" så betyder det ju inte att den är helt felfri på alla kontrollpunkter.
Du kanske såg att det även finns beskrivet hur en korrekt rörskarv skall vara utformad, kolla så dina är ok eftersom de är delade. _________________ Mats Forssén Alfa 156 GTA SW, glassätarbil Alfa 147 GTA, banåkarglassätarbilsprojekt |
||||||
|
Re:
Toppen, kör hårt och lycka till! _________________ Mats Forssén Alfa 156 GTA SW, glassätarbil Alfa 147 GTA, banåkarglassätarbilsprojekt |
||||||
|
Jag måste lägga till en fråga kring detta för att se om ni tolkar detta som jag gör.
Det hela handlar om hur plattan för att fästa stagen som går längs a-stolparna ner i golvet får se ut. Mitt golv har ett trappsteg likt de som syns i vy 253-53, 253-54, 253-55 och 253-56.
Såhär står det i SBF s. 35:
Det står inget mer specifikt om denna design (253-54, 253-55 och 253-56). Jag tolkar detta som att all kontaktyta räknas, dvs även den som sitter på vertikalplanet under burens fot? (Markerat i rött nedan)
Vad tycker ni? _________________ Joakim Tdal Porsche 951 |
||||||
![]() |
Skruva banåkabil
Skippa skruvarna och svetsa in buren istället?
|
4232 besök totalt |
