| Allt Nytt | Kalender | Racerbanor | Arrangörer | Forum | Varvtider/Loggar |

![]() |
Våra race- och banåkarbilar
BMW M3 E46 GTR Modsport
|
35 besök idag (90256 totalt) |
|
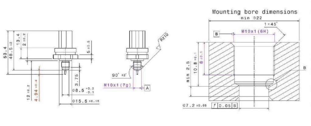
Kanske helt irrelevant men denna har ju M12x1,5 från början, och en pinne mindre (men minns inte om du kör MaxxEcu, och hur den kodar av temp och tryck vet jag inte heller).
https://www.maxxecu.se/store/motorst Öhh som digital input https://www.maxxecu.com/webhelp/inpu |
||
|
Re:
Det verkar ju vara ett bra alternativ, nån som provat den? _________________ Peter Henblad addio Elcentraler BMW E46 -99 Coupe GTR BMW E31 -92 850I
|
||
|
Re:
Jag tänker att temperaturen inte kommer att stämma då?
_________________ Peter Henblad addio Elcentraler BMW E46 -99 Coupe GTR BMW E31 -92 850I
|
||
|
Delar erfarenheter som tidigare skribenter, har haft samma problem med läckande sensor av samma sort, löste sig med en kortare bit slang (gärna lite grövre i diameter för att få cirkulation på oljan och korrekta mätvärden på oljetemp) som hämmar vibrationerna och vissa tryckstötar, inga problem efter det.
_________________ Viktor Andersson |
||
|
Bilder från Anderstorp. :)
Dem grymma bilderna är tagna av Racefoto.se
Nu är det slut på säsongen och dags att se över allt. Motorn kommer att åka ur för att göra om lite med styrningen. Jag kommer även riva bort växellådan och se vad som är sönder. Men först lite bilder.
En snabb bild.
Kamp med Macklin
_________________ Peter Henblad addio Elcentraler BMW E46 -99 Coupe GTR BMW E31 -92 850I
|
||
|
Re:
Den borde funka, jag ska beställa 2st så att jag har en i reserv.
https://www.hella.com/resources-soe/ Den verkar vara mer robust när man läser om den.
_________________ Peter Henblad addio Elcentraler BMW E46 -99 Coupe GTR BMW E31 -92 850I
|
||
|
Motor ur
Nu börjar vinterns bestyr med demontering av motor och växellåda.
Jag ska kolla vad som är trasigt med kopplingen, jag hade ju ett missljud som pekade på urtrampningslagret när jag körde på Anderstorp. Det kan bero på att jag kan ha haft för litet spel mellan urtrampningslagret och tryckplattan, jag har för mig att jag hade 2mm spel.
Jag tror att grundproblemet var att adapterplattan mellan växellåda och motor var några mm för tunn, eller så är svänghjulet lite för tjockt.
Så jag var tvungen att modda för att få lte spel.
Jag ska eventuellt byta ut kopplingsarm, urtrampningslager och kopplingscylinder mot ett urtrampningslager med integrerad kopplingscylinder. Nån variant som jag kan justera in spelet med. Tenaki eller Tilton?
Sen ska jag även göra om lite med styrningen då den tjärvar lite i en led då jag troligtvis har för mycket vinkel på en knut i rattstången, det är trångt mellan grenrör och rambenen i motorutrymmet.. Jag har köpt en dubbelled från en BMW X1. Jag vill även passa på att få lite mer spel mot grenröret och rambenet, så det blir till att jacka ur mer Dagens led
BMW X1 dubbelled som är lite större än dagens led.
Jag vill vara färdig med bilen i tid, så jag börjar nu. Lite elektronic som behöver fixas, nya Hella oljetryck tempgivaren måste kopplas in. Har även tänkt koppla in original nivå och tempgivaren i tråget. Sen blir det lite annat smått och gott. En diffusor kanske.
Täcka under så att golvet blir plant. mm. _________________ Peter Henblad addio Elcentraler BMW E46 -99 Coupe GTR BMW E31 -92 850I
|
||
|
Ny kopplingscylinder och mer klämlängd mot tryckplattan
Lite händer det i garaget.
Det blev en justerbar Tenaki cylinder. Jag fick byta själva urtrampningslagret till en slät variant för att vinna ytterligare 2mm på höjden, så nu har jag 2,4mm i spel mellan lagret och solfjädern på tryckplattan.
Den första varianten var 2 mm högre.
Så här såg det ut innan och jag hade ingen möjlighet att justera ner till lagom med spel.
Nu ska jag bara fixa slangarna till cylindern vid pedalen och till avluftningen som jag tänkte dra in i kupen så man kan lufta på ett smidigt sätt. Jag har även införskaffat en snabbkoppling i Titan och 7075 från Speeding så att jag slipper koppla loss slangen vid pedalen när jag behöver lyfta ur motor och låda.
Jag har även försänkt gängan i svänghjulet med 5mm + att jag lagt emellan 1 shims på 5mm och en stålbricka på 1mm, så nu har jag en klämlängd på 14mm istället för 3mm som jag hade med tryckplattan på 3mm. Jag har 12mm gänga i ingrepp kvar i svänghjulet.
_________________ Peter Henblad addio Elcentraler BMW E46 -99 Coupe GTR BMW E31 -92 850I
|
||
|
Styrning uppdaterad med ledlager som stöd
Nu börjar det ordna upp sig med styrningen ochså.
Ett steg närmare.
Urkapat för den större dubbelleden och igensvetsat.
Nu sitter den på plats med ett ledlager som stöd, förmodligen lite mer flexibelt mot den förra lösningen.
Jag behöver däremot att kapa och justera den nedre axeln då lederna inte linjerar med varandra, man kan se på den sista bilden att dem inte riktigt ligger i linje med varandra.
_________________ Peter Henblad addio Elcentraler BMW E46 -99 Coupe GTR BMW E31 -92 850I
|
||
|
Koppling och slangar monterade på växellådan
Nu har jag monterat nya slangar till kopplingscylindern, jag ritade upp en genomföring som vi skrev ut i ett mjukare plast material
Ritade även upp och skrev ut ett stöd till snabbkopplingen i en hårdare plast, med detta så ska jag enkelt kunna lossa på snabbkopplingen.
Jag köpte en ny original led då jag hade ett visst glapp i den gamla. Den är nu gjord i alumminium och med en i pressad stålbussning för spakanslutningen.
Jag har även monterat på växellådan på motorn igen. Luftningsslangen kommer jag dra in i kupen så att det blir enkelt att lufta
Jag använder en vanlig luftningsnippel i änden.
Slangen från cylindern vid pedalerna har jag dragit om och i andra änden kommer ena halvan av snabbkopplingen att sitta.
_________________ Peter Henblad addio Elcentraler BMW E46 -99 Coupe GTR BMW E31 -92 850I
|
||
|
Re: SPVM Modsport på Anderstorp
Jag har fått en möjlig orsak varför sensorn går sönder.
Kamkedjespännaren fungerar som en slagmekanism mot spännarens kolv, vilket orsakar lokala tryckstötar som kan överstiga 15 bar. Dessa tryckstötar är mycket små och svåra att upptäcka. Varje gång kamaxeln öppnar en ventil utsätts spännaren för en stöt, som överförs till spännarens oljefyllda kolv och då även givaren som sitter precis bredvid. Givaren klarar max 10bar och jag ser max 6-7bar på loggarna. Kan detta vara en möjlig orsak? I så fall kommer ju ingen givare hålla där.
_________________ Peter Henblad addio Elcentraler BMW E46 -99 Coupe GTR BMW E31 -92 850I
|
||
|
Det låter som en möjlig orsak, jag har kört på samma 3-poliga givare och aldrig behövt byta, så något orsaker ju dina problem.
Men går det inte att montera den någon annan stans? Jag har 3-4 oljetrycks givare av olika modeller på olika ställen på min Audi V8 motor, så något annat ställe borde du väl kunna montera även på din BMW motor? _________________ Martin Ehrsson RS8
Äger 2st Urq 20v-90:or, RS8:a |
||
|
Jag har likadana givare på ett par ställen på min bil och kommer nog på sikt byta till annat, pga av alla problem som folk verkar ha med dom.
Framförallt verkar det vara om de monteras direkt på motorn som de går sönder, men även om de monteras på ett sätt som gör att vibrationerna dämpas så går de ändå sönder. Så det är inte omöjligt att tryckspikarna kan ligga bakom, men vibrationerna från motorn är statistiskt inblandade också. _________________ Rickard Wiberg Volvo 740 Turbo Time Attack.nu Unlimited-klass Instagram: @rickardwracing Youtube: https://youtube.com/@rickardwracing?si=cgkLi5PnT-V7DTwd |
||
|
Re:
OEM så sitter väl denna givare på bränsleskenan och mäter bränsletryck samt temp. _________________ Nisse Holmgren Umeå
|
||
|
Porsche, Mclaren, Aston, Mazda använder denna både för Olja samt Bränsle på lite olika ställen men monterade på Motorn direkt.
Använt dem flitigt senaste 7 åren och mja inte en enda som har kastat in handuken trots sittandes på en Duratec Vibrerande 2 lit maskin där allt vibrerar sönder över 8000 rpm
_________________ Christer Gellerstedt 0704462430 BMW e30 323 86 s65b40 BMW e90 BMW motorsport 619 Mazda Miata NA Roadsport C GMAB Rototest 4WD - 2WD |
||
|
Ja det är långt ifrån alla givare som ger upp, så det kan vara förhastat att utesluta den helt och hållet.
Utan man får dra sina egna slutsatser från sina egna erfarenheter och vad man hör från andra med liknande problem, och se om det finns några gemensamma nämnare. Med den nya 01F verkar Bosch inte längre rekommendera den till vatten, men olja och bränsle rekommenderas den till fortfarande. Den här tråden på High Performance Academy tog upp några intressanta saker som folk har sett. Åtdragningsmoment verkar vara en återkommande sak. https://www.hpacademy.com/es/foro/entendiendo-afro/show/combination-fluid-temperature-and-pressure-sensor Oavsett så är det viktigt att dela med sig av sina erfarenheter så att vi alla kan göra bra bedömningar och inte slösa bort våra bilbyggarpengar i onödan. _________________ Rickard Wiberg Volvo 740 Turbo Time Attack.nu Unlimited-klass Instagram: @rickardwracing Youtube: https://youtube.com/@rickardwracing?si=cgkLi5PnT-V7DTwd |
||
|
Re:
Och hur noggrann man varit med detta tror jag kan vara avgörande
_________________ Nisse Holmgren Umeå
|
||
|
Re: Styrning uppdaterad med ledlager som stöd
Kapat av, svarvat en bussning med krymppassning, linjerat och svetsat.
Målat och monterat på plats igen, det känns som styrningen går lite lättare.
Osäker om det berodde på att lederna inte var linjerade eller om det är dubbelknuten som gör skillnaden.
Nu är det bara och stoppa i motorn och hoppas att det får plats.
_________________ Peter Henblad addio Elcentraler BMW E46 -99 Coupe GTR BMW E31 -92 850I
|
||
|
fläkt kåpa cadad och 3d printad
Nu har jag tänkt att jag skulle få till en snygg fläktkåpa så jag ritade upp en i cadden som jag anpassade för min kylare och den stora SPAL fläkten.
Den var tvungen att göras i 4 delar för att kunna få in den i printern. Bollade lite med Andre som är grym på att printa grejer i 3d. https://rejsa.nu/forum/viewtopic.php
Så här vart slutresultatet, printat av Westersund Motorsport som gör grymma grejer.
Passar ganska bra, fick klippa ett litet hörn som tog i annars så passar den bra med fläkt och kylare.
Nu ska jag bara fästa upp och klämma fast kylaren mot ramen. _________________ Peter Henblad addio Elcentraler BMW E46 -99 Coupe GTR BMW E31 -92 850I
|
||
|
_________________ Henrik Ryberg BMW Z4 med S55B30 DCT Sponsrad av: www.motorsportshop.nu www.maxxecu.se 021 Motor @Oggeracing |
||
|
Re:
Tack för ett bra tips på länk, där var det bra info. Jag har varit inne på HP academy och skrivit om min upplevelse med denna sensor. _________________ Peter Henblad addio Elcentraler BMW E46 -99 Coupe GTR BMW E31 -92 850I
|
||
![]() |
Våra race- och banåkarbilar
BMW M3 E46 GTR Modsport
|
35 besök idag (90256 totalt) |
